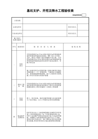
基坑支护、开挖及降水工程验收表GDAQ2090206工程名称总承包单位项目负责人专业承包单位项目负责人序号检查项目检 查 内 容 与 要 求...
混凝土模板工程验收表GDAQ2090202工程名称总承包单位项目负责人专业承包单位项目负责人验收部位安装日期立柱材料和规格模板材料和规格m层高...
分部(分项)工程安全技术交底汇总表GDAQ20403江门市民兵综合训练项目—生活区广东省电白建筑工程总公司交底人交底日期备 注打桩班年 月...
分部(分项)工程安全技术交底GDAQ20402工程名称分部分项工程工种安 全 技 术 交 底 内 容 日 期: 施工单位:交底人签字: 接受人(全员)签字:
模板工程安全检查评分表GDAQ2030111序号检查项目扣 分 标 准1施工方案100102支撑系统100103立柱稳定100104施工荷载100105模板存放105106...
危险性较大分部分项工程汇总表GDAQ20111江门市民兵综合训练项目—生活区广东省电白建筑工程总公司广东国建工程项目管理有限公司序号分部分...
工 程 概 况 表GDAQ20101工程名称江门市民兵综合训练项目—生活区工程地点江门市蓬江区杜院镇亭园村中坑地段结 构 类 型框架结构开...
每日安全课堂危险源清单(冶炼工程)批准:审核:编制:安全技术部2018 年 2 月 26 日危 险 源 辨 识 及 风 险 评 价 表(...
利用人防工程安全生产检查表项目检查内容检查方法检查依据一 、贯 彻落 实政 府安 全生 产工 作部署1.政府及系统主管部门安全生产工...
单建式在建人防工程安全生产检查表项目检查内容检查方法检查依据一、安全管理1、安全生产责任制查看文件资料《安全生产法》第一章第四条2、...
工程项目部人员安全生产责任制编 制:审 核:批 准:发布时间:目 录项目部施工员安全生产责任制............................3项目部...
施工工程安全技术交底汇编目录:1.施工工程安全技术交底汇编2.电焊安全技术交底3.气焊安全技术交底4.钢筋机械安全技术交底5.钢筋调直机安全...
住建部37号令及建质办【2018】31号文件宣贯住建部37号令012018年3月8日住建部下发《危险性较大的分部分项工程安全管理规定》(建设部37号...
危险性较大的分部分项工程安全管理规定(37号令)和住房城乡建设部办公厅关于实施《危险性较大的分部分项工程安全管理规定》有关问题的通知...
施工工程15套安全管理全套资料.rar
工程安全十八类资料表格电子版.rar
工程安全管理制度台账,15册盒装存档.rar
CHINATIESIJUCIVILENGINEERRINGGROUPCO.,LTD.1路基工程施工技术内部培训师培训班二期2组Contents目录页CHINATIESIJUCIVILENGINEERRINGGROUP...
15册工程安全管理台账,盒装存档!直接拿去用.rar
危大工程,即:危险性较大的分部分项工程,是房屋建筑和市政基础设施工安全管理的重中之重,施工单位务必要搞清这三个基本问题:“危大工程...


