九、龙门架及物料提升机篇单选题719、为防止司机错误操作或电气故障,使物料提升机吊笼超越安全越程,发生冲顶事故而设置的安全装置是( C...
物料提升机基础知识说明:1 、 ABC 安全的朋友们收集于网络;2 、版权作者所有,致谢;3 、更多资源请扫描右侧二维码,关注公众号微信...
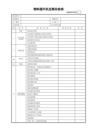
物料提升机定期自检表GDAQ209010903 使用单位 备案编号规格型号 出厂编号自 编 号 安装位置上次自检日期序号项 目检 查 内 容检...
物料提升机安装自检表GDAQ209010805 工程名称 工程地址 使用单位 安装单位 产权单位 制造单位) 型号规格传动形式0000 0制造编号 ...
建筑起重机械使用登记牌GDAQ21012 工 程 名 称 工 程 地 址 设备安装位置告知受理号 规 格 型 号备案编号 出 厂 编 号工...
物料提升机生产安全事故应急救援预案(无表式)
物料提升机基础专项施工方案(无表式)
物料提升机拆卸专项施工方案(无表式)
物料提升机安装专项施工方案(无表式)
物料提升机安装(拆卸)工程生产安全事故应急救援预案(无表式)
物料提升机司机安全操作规程 GDAQ340117 一、物料提升机司机必须经省级建设行政主管部门考核合格,取得建筑施工特种作业人员操作证书,方...
物料提升机安全操作规程GDAQ340203 一、作业人员必须经省级建设行政主管部门考核合格,取得建筑施工特种作业人员操作证书,方可上岗。二、...
物料提升机操作安全技术交底 GDAQ330607施工单位: 工程名称 分部分项 工程 工种 一、进入施工现场必须遵守安全操作规程和安全生产纪...
物料提升机安装(拆卸)安全技术交底 GDAQ330606施工单位: 工程名称 分部分项工 程 工种 一、进入施工现场必须遵守安全操作规程和安...
塔式起重机、施工升降机、物料提升机安装(拆卸)安全专项施工方案编制要点 GDAQ3207 一、施工方案编制与审核(一)安装单位盖章、编制人...
编号:GDAQ21312备 案 编 号:告知受理号: 工 程 名 称:工 程 地 址:使 用 单 位:检验评定单位:检验评定日期:广东省建...
建筑起重机械备案申报表GDAQ21004 年 月 日物 料 提 升 机 概 况 型 号制造厂家 制造许可证号 出厂编号出厂日期□新机□旧机...
物料提升机定期自检表GDAQ209010903 使用单位 备案编号规格型号 出厂编号自 编 号 安装位置上次自检日期序号项 目检 查 内 容检...
物料提升机安装自检表GDAQ209010805 工程名称江门市民兵综合训练项目—生活区 工程地址江门市蓬江区杜阮镇亭院村中坑地段 使用单位广东...
物料提升机(龙门架、井字架)检查评分表GDAQ2030114检查项目扣 分 标 准1架体制作929394钢丝绳8586吊篮87安装验收9小计60JGJ 59—99 ...


