4.2 班组安全活动管理制度一、目的为有效开展班组安全达标活动特制定本制度。二、适用范围 本规范适用于各生产班组安全生产和职业卫生达...
班组安全制度汇编班组安全管理规章制度汇编01 班前会制度...............................................................................
安全生产标准化班组安全管理制度二〇二一目 录班组长安全生产责任制.......................................1班前班后会制度...............
班组安全隐患自查报告表填报单位(盖章):班组名称班组人数(人)发现隐患问题数(条)已整改隐患问题(条)正在整改隐患问题(条)突 出...
xxx 有限公司安全标准化班组管理台帐班 组: 二〇二二年一月 修订目 录1、 班组安全生产目标责任书;2、 班组安全管理制度;3、 班...
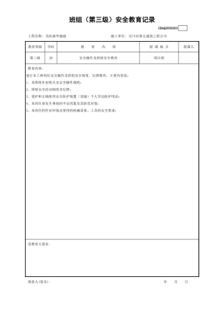
班组(第三级)安全教育记录GDAQ2050203吴阳嘉华豪庭吴川市第五建筑工程公司 教育等级学时教 育 内 容授 课 地 点授课人第三级20安...
班组安全标准化作业6.png
班组安全标准化作业5.png
班组安全标准化作业4.png
班组安全标准化作业3.png
班组安全标准化作业2.png
班组安全标准化作业1.png
上海誉临企业管理有限公司上海誉临企业管理有限公司上海誉临企业管理有限公司上海誉临企业管理有限公司落实危险预防 确保作业安全进行——...
更多 EHS 独家精品资料,请咨询“安应管家”微信号: ansyingsj1 班组级安全培训更多 EHS 独家精品资料,请咨询“安应管家”微信号:...
25/7/2班组安全文化建设安徽金源热力工程有限公司2014 年 6 月25/7/2班组安全文化的建设• 企业安全文化具体意义• 班组安全文化建设...
微信公众号:每日安全生产车间班组反“三违”与安全行为养成十十第一节 车间班组反“三违 一 . “ 三违”定义违章指挥违章作业(操作...
更多 EHS 独家精品资料,请咨询“安应管家”微信号:ansyingsj1班组长的一天仅限于班组安全标准化管理部分更多 EHS 独家精品资料,请咨...
20172019班组安全管理与建设更多资料请扫码关注安全小课桌01020304HSE 管理体系简介安全法律法规班组与班组长班组安全管理制度05班组日常...
如何创建安全管理标准化示范班组培训讲师培训日期更多资料请扫码关注安全小课桌目录创建安全管理标准化示范班组的意义目的创建安全管理标准...
精益班组架构设计及职责规划精益班组七大任务【免费订阅公众号】关注安全小课桌公众号,每天及时收到免费安全资料分享信息及各类安全资讯【...


