建 筑 消 防 设 施 维 护 保 养 和故 障 维 修 记 录 本单 位 名 称 : 年 月 日 至 年 月 日 建筑消防设施故...
消防设施年度测试检验记录本单位名称: 年 月 日至 年 月 日 月份消防设施测试检查记录表测试日期 测试人(签名): 检测项目检测...
消防设施每日巡视检查记录本单位名称: 年 月 日至 年 月 日 消防设施每日巡视检查记录表巡查日期: 巡 查项 目巡查内容巡查时间...
设备与设施管理评分表GDAQ1403评分项目评 分 标 准评分方法1302303安全标志20420分 项 评 分100年 月 日JGJ/T 77—2010 表A—3 ...
消防设施台账序号消防设施名称部门位置数量状态责任人备注消防设施维护保养记录部门: 消防设施名称部门设置位置数量器材维护保养状况责任...
干粉灭火器点检记录表消防设施存放位置: 编号: 责任人:保险销和铅封是否完好检查人员签名:备注:消防栓点检记录表消防设施所在位置:...
施工现场消防设施验收表GDAQ21206 总承包单位项目负责人 专业承包单位项目负责人序号检查项目内 容 和 要 求检 查 结 果一二三四...
施工现场消防设施验收表GDAQ21206 总承包单位中天建设集团有限公司项目负责人 专业承包单位/项目负责人/序号检查项目内 容 和 要 求...
排查人员:排查时间:2019.3.15风险点排查内容存在问题201防护罩完好、无破损。每日巡检;定期检查保养连接紧固,螺栓无松动。每日巡检;定...
工业 气瓶安全检查表 被查单位:序号检查项目检查内容 / 检查方法 检查结果备 注是否1气瓶状况在检验周期内使用盛装腐蚀性气体的钢制...
安全设施检查表序号安全设施名称配置位置1温度压力报警装置锅炉房2防护罩各运转设备传动部位3防护栏车间4避雷针厂区5静电接地网厂区6隔热层...
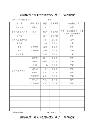
应急设施/装备/物资检查、维护、保养记录 四川×××有限责任公司 编号:名 称型号、规格数量存放区域检查整改情况应急车辆面包车1 辆...
应急设施装备物资清单 四川××× 有限责任公司编号:名 称型号、规格数量备 注应急车辆面包车1 辆手提式干粉灭火器MFZL438 只安放于...
职业病防护设施一览表 序号防护设施名称使用部门数量设备型号参数 编制: 审核(签字): 编制日期: 年 月 日职业病防护设施一览表...
职业病防护设施检修、维护记录表车间名称 车间负责人 防护设备名称 检修时间 检修、维护情况 :验收意见: 负责人(签名): 日期:...
设备(设施)拆除和报废档案建档日期: 生产设施拆除和报废意见书设备名称设备型号生产厂家出厂日期使用部门设备编号报废原因财务审查意见...
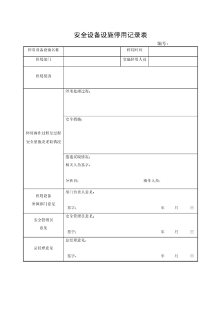
安全设备设施停用记录表 编号: 停用设备设施名称停用时间停用部门实施停用人员停用原因停用操作过程及过程安全措施及采取情况停用处理过...
安全设施检查维护保养记录表检查时间: 年 月 日 安全设施属性安全设施种类设施名称主要分布位置检查情况维护保养情况预防事故设施检查...
生 产 设 施 检 修 记 录 NO. 序号编 号生 产 设施 名 称故 障 情 况检 修 情 况记 录 人员
生 产 设 备 设 施 台 帐序号名称规格型号投入使用时间安装位置生产厂家使用状态检维修状况编制: 日期:生 产 设 备 设 施 ...


