汛期安全管理检查表项目名称:编号:序号检查项目检查内容检查情况防汛管理1是否建立防汛防汛工作领导小组,落实工作职责。2是否制定防汛应...
消防安全检查表被查单位(部位):年月日序号检查的具体内容检查结果备注一消防安全的组织管理1、是否制定了符合本单位、本岗位实际的消防...
安全检查表方法培训公众号:EHS文库目录安全检查安全检查表安全检查表编制示例安全检查1安全检查安全检查表安全检查表编制示例安全检...
隐患安全检查标准表序号标准名称条款内容A《建筑设计防火规范》GB50016-20141《建筑设计防火规范》GB50016-2014第3.1.2条3.1.2同一座厂房或...
1.夏季危险化学品易发生火灾的原因炎热的气候条件对危险化学品的安全储存威胁很大。危险化学品火灾也多发生在炎热的夏季。温度升高使危险化...
危险化学品安全检查表受检单位:年月日项目检查内容检查结论整改措施完成时间符合不符合一危险化学品装卸与运输1是否建立健全危险化学品、...
危险化学品罐区和装卸点安全检查表类别检查项目关注重点备注档案资料1、三同时资料。是否经安全设施“三同时”审查验收;是否有正规设计,...
危险化学品安全检查表检查地点:检查时间:人员危险化学品由安全管理组组织相关安全管理人员进行检查目的对危险化学品购买、使用、储存、装...
危险化学品安全管理专项检查表检查要素检查内容检查结果一、危化品管理机构和职责1.明确危险化学品安全管理部门,落实专责或兼职管理人员;...
危险化学品安全检查表(JH-AQ-BG-026A/0)序号检查项目检查标准检查方法(或依据)检查评价符合不符合及主要问题1一书一签1、按照规定对属...
《动火作业安全监督检查表01》检查时间:年月日工程公司检查人签字:项目名称1施工单位1项目名称2施工单位2项目名称3施工单位3施工作业许可...
179张史上最全最全安全检查表汇编,请查收第一部分安全管理篇目录第一部分安全管理篇......................................................
施工现场国庆节前安全检查表工程项目:检查日期:年月日检查人员(签名)项目负责人(签名)目的通过节假日前检查,查出不符合项,以制定管...
施工企业春季安全生产大检查检查表安全管理检查评分表表3.0.2序号检查项目扣分标准应得分数扣减分数实得分数1保证项目安全生产责任制未建立...
春节后复工专项检查表(表1)(生活区管理)施工单位:工程名称:序号检查项目检查情况1施工现场生活区设置符合标准2生活区内无污水、污物,...
生产开车前安全条件确认检查表安全负责人:设备负责人:工艺负责人:技术负责人:电仪负责人:装置:粗苯精制项目序号项目检查人不适用是否整...
生产开车前安全条件确认检查表安全负责人:设备负责人:工艺负责人:技术负责人:电仪负责人:装置:粗苯精制项目序号项目检查人不适用是否整...
检查日期:年月日检查人(签名):设备设施安全检查表大全微信公众号:安全生产管理网编制人XXXx审核人xxx批准人xxx工业气瓶安全检查表被查...
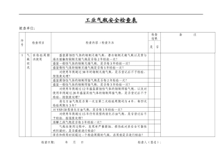
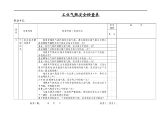
工业气瓶安全检查表被查单位:序号检查项目检查内容/检查方法检查结果备注是否1气瓶状况在检验周期内使用盛装腐蚀性气体的钢制无缝气瓶、潜...
工业气瓶安全检查表被查单位:序号检查项目检查内容/检查方法检查结果备注是否1气瓶状况在检验周期内使用盛装腐蚀性气体的钢制无缝气瓶、潜...


