饲料生产企业安全生产检查表(饲料行业管理部门)项目检查内容检查方法检查依据一、贯彻落实安全生产工作部署1.饲料行业主管部门安全生产工作...
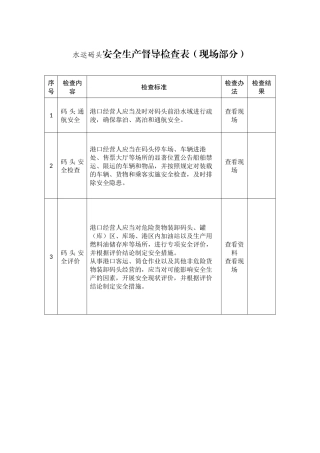
水运码头安全生产督导检查表(现场部分) 序号检查内容检查标准检查办法检查结果1码 头 通航安全港口经营人应当及时对码头前沿水域进行...
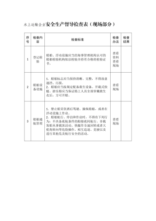
水上运输企业安全生产督导检查表(现场部分) 序号检查内容检查标准检查办法检查结果1登记检验船舶、浮动设施应当经海事管理机构认可的船...
水泥生产企业安全生产督导检查表(现场部分)序号检查内容检查标准检查办法检查结果1安全防护1.各种设备的外露传动部位应安装齐全可靠的防...
水利安全生产检查表项目检查内容检查方法检查依据一、贯彻落实政府安全生产工作部署1.政府及行业主管部门安全生产工作文件贯彻落实情况。查...
水库安全生产督导检查表(现场部分) 序号检查内容检查标准检查办法检查结果1大坝1.坝顶无裂缝、异常变形、积水或植物滋生等现象。防浪墙...
食品工业企业安全生产检查表项目检查内容检查方法检查依据一、贯彻落实政府安全生产工作部署1.政府及行业主管部门安全生产工作文件贯彻落实...
石油天然气钻井安全生产督导检查表(现场部分) 序号检查内容检查标准检查办法检查结果1井架及底座1.井架笼梯及护栏齐全可靠。2.防爆灯...
石油天然气管道安全生产督导检查表(现场部分) 序号检查内容检查标准检查办法检查结果1受限空间作业1.是否对受限空间含氧量进行及时检测...
石油天然气测井安全生产督导检查表(现场部分) 序号检查内容检查标准检查办法检查结果1测量车1.电气接地牢固、可靠。2.各电气、电缆无...
石油天然气采油气安全生产督导检查表(现场部分)序号检查内容检查标准检查办法检查结果1抽油机1.防护栏是否完整查看现场2.配电箱是否上...
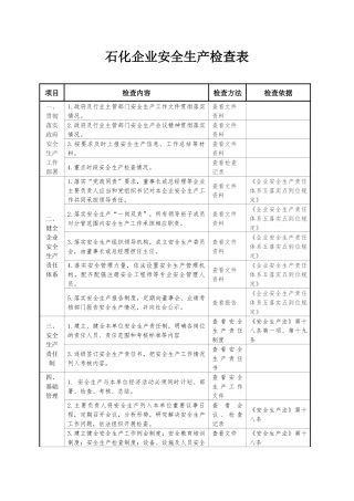
石化企业安全生产检查表项目检查内容检查方法检查依据一、贯彻落实政府安全生产工作部署1.政府及行业主管部门安全生产工作文件贯彻落实情况...
施放气球企业安全生产执法检查表项目检查内容检查方法检查依据处罚依据处罚标准一、主要负责人履职情况1.建立、健全本单位施放气球安全生产...
生产煤矿安全生产督导检查表(现场部分) 序号检查内容检查标准检查办法 检查结果1井口1.煤矿领导带班下井时,其领导姓名应当在井口明显...
商贸企业安全生产督导检查表(现场部分) 序号检查内容检查标准检查办法检查结果1建筑物1.不得在设有营运场所或仓库的建筑内设宿舍或饭堂...
全省粮食仓储行业安全生产检查表项目检查内容检查方法检查依据一、贯彻落实政府安全生产工作部署1.当地政府、职能部门及粮食行政管理部门部...
轻工企业安全生产督导检查表(现场部分)序号检查内容检查标准检查办法检查结果1一般机械1.距地面 2m 以下设备设施的旋转部件必须有防护...
轻纺企业安全生产检查表项目检查内容检查方法检查依据一、贯彻落实政府安全生产工作部署1.政府及行业主管部门安全生产工作文件贯彻落实情况...
汽车维修企业安全生产执法检查表(公安交警部门专用)项目检查内容检查方法检查依据处罚依据处罚标准一、安全责任制建立及实施情况1.建立、健...
汽车客运车站安全生产督导检查表(现场部分) 序号检查内容检查标准检查办法检查结果1汽车客运站进出站检查1.进出站应落实“三不进站、六...


