施放气球企业安全生产执法检查表项目检查内容检查方法检查依据处罚依据处罚标准一、主要负责人履职情况1.建立、健全本单位施放气球安全生产...
汽车维修企业安全生产执法检查表(公安交警部门专用)项目检查内容检查方法检查依据处罚依据处罚标准一、安全责任制建立及实施情况1.建立、健...
企业危险废物监管执法检查表项目检查内容检查方法检查依据处罚依据处罚标准一、标识制度1.危险废物的容器和包装必须设置危险废物识别标志。...
农业机械安全生产执法检查表序号项目检 查 内 容检查方法检查依据处罚依据处罚(强制措施)标准1农业机械安全生产检查拖拉机、联合收割...
民爆企业安全生产执法检查表项目检查内容检查方法检查依据处罚依据处罚标准一、主要负责人履职情况1.许可管理 应按生产许可和安全许可的范...
交通基础设施项目建设安全生产执法检查表项目检查内容检查方法检查依据处罚依据处罚标准一、建设单位及建设管理单位安全生产管理行为1、违...
建筑施工安全生产执法检查表项目检查内容检查方法检查依据处罚依据处罚标准一、主要负责人履职情况1.建立、健全本单位安全生产责任制;查看...
既有建筑安全生产执法检查表项目检查内容检查方法检查依据处罚依据处罚标准老旧危楼安全1、女儿墙是否有裂缝、倾斜、变形;查看资料现场检...
机动车安全检验机构安全生产执法检查表(公安交警部门专用)项目检查内容检查方法检查依据处罚依据处罚标准规范化管理情况1. 安检机构资质 ...
货运企业安全生产执法检查表(公安交警部门专用)项目检查内容检查方法检查依据处罚依据处罚标准一、安全责任制建立及实施情况1.建立、健全本...
河南省海事部门执法检查表项目检查内容检查方法检查依据处罚/管理依据处罚标准一、航 运公 司监 督管理1、航运公司安全与防污染管理制度...
河南省公路路政安全生产执法检查表项目检查内容检查方法检查依据处罚依据一、主要负责人履职情况1.建立健全安全生产监管机构,配齐专职管理...
公路客运企业安全生产执法检查表(公安交警部门专用)项目检查内容检查方法检查依据处罚依据处罚标准一、安全责任制建立及实施情况1.建立、健...
非煤矿山安全监管执法检查表表 1:安全生产许可类检查单位: 年 月 日检查内容检查方法检查依据违法行为违法条款处罚依据1.安全生产许...
电力安全监管执法检查手册目录使用说明1 适用范围2 规范性引用文件3 术语和定义4 一般要求5.执法检查表5.1 电力安全监管执法检查表(...
道路运输企业安全执法处罚表序号违法行为法律依据实施主体违法情节处罚标准1未 取得 道路 客运 经营 许可 ,擅 自从 事道 路客 ...
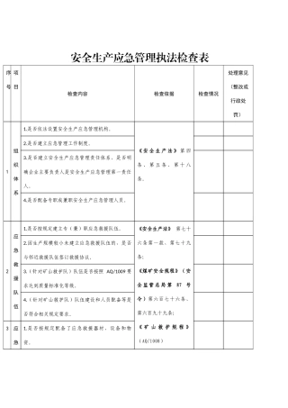
安全生产应急管理执法检查表序号项目检查内容检查依据检查情况处理意见(整改或行政处罚)1组织体系1.是否依法设置安全生产应急管理机构。...
常见的场所环境安全隐患排查执法要求--之消防设备设施设备设施12消防栓特种设备灭火器灭火器设置情况灭火器完好情况中控室特种设备检验和登...
消防设备设施安全隐患排查执法要求设备设施12消防栓特种设备灭火器灭火器设置情况灭火器完好情况中控室特种设备检验和登记标志使用情况消防...
115份!各行业!应急部门执法检查表,有依有据.rar


