职业卫生日常管理工作要点前言 ( 一 ) 职业卫生的定义 早在 1950 年 , 国际劳工组织 (ILO) 和世界卫生组织 (WHO) 职业卫生联...
XXXX 化工有限公司 Q/JCAGB11-18-2014车间(班组)日常安全检查表单位(或班组): 检查时间: 年 月 日 №:序号检查项目检查标准...
挖掘机日常检查记录表机械编号ZX001检查时间检查人梁 峰班组机械组检查部位项目序号检查项目及判断标准班前班中班后整机车容1 消防器材2...
特种设备日常维护保养记录 序号设备名称日期维修保养内容管理人员备注
消防设施介绍与日常检查目 录 消防中控介绍消防设施概述常用消防设施介绍与检查微型消防站简介消防检查内容概述123450 1 ONE消防中控介...
高低压设备用电 安全知识培训班序言:电的重要性电的应用极其广泛,在生产技术上引起划时代的革命,在现代工业、农业及国民经济的其他各部...
班组长日常管理培训培训人: ABC 安全 目 录CONCENTS•一、班组、班组长、管理等相关定义•二、管理思想 & 科学管理理论的形成•三...
车间班组日常安全管理工作培训人: XXX培训时间: xx 年 X 月目录01 案例分析: contents sub title: contents sub title02 如...
汇报人: XXX 汇报时间: 2023【安全教育用电安全教育宣传】树立安全第一思想 服从安全第一原则日常安全用电教育宣传培训日常安全用电...
员工日常安全培训课件目录CONTENTS02 / 消防安全06 / PPE 穿戴01 / 安全生产常识03 / 工伤处理04 / 交通安全05 / 通用作业安...
日常安全教育登记表GDAQ20508班组名称班组人数主讲人部 门年 月 日工程名称:施工单位:班(组)长教育时间: 教育内容:职务(职称) 受教育...
目 录1、月度综合安全检查表2、每周安全检查表3、公司级安全检查表4、车间级安全检查表5、班组级安全检查表6、电气设备安全检查表7、防火...
班组日常安全检查表 年 月 日 (星期 ) 检查人: 序号检查内容检查结果检查问题记录整改情况备注栏班前检查(上班时检查并填写记录...
班组日常检查记录表 编号:序号检查内容检查方式检查结果星期一星期二星期三星期四星期五星期六星期日1有无违反操作规程现象现场检查2人员...
镂铣机日常点检表 点检月份: 年 月 编号: 设备名称普通铣床规格型号设备编号操作者 A操作者 B操作者 C使用部门 检查日期点检内...
封边机日常点检表 点检月份: 年 月 编号: 设备名称普通铣床规格型号设备编号操作者 A操作者 B操作者 C使用部门 检查日期点检内...
电脑裁板锯日常点检表 点检月份: 年 月 编号: 设备名称普通铣床规格型号设备编号操作者 A操作者 B操作者 C使用部门 检查日期点...
推台锯日常点检表 点检月份: 年 月 编号: 设备名称普通铣床规格型号设备编号操作者 A操作者 B操作者 C使用部门 检查日期点检内...
钻床日常点检表 点检月份: 年 月 编号:设备名称钻床规格型号设备编号操作者 A操作者 B操作者 C使用部门 检查日期点检内容 点检...
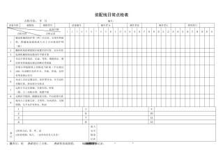
装配线日常点检表 点检月份: 年 月 编号:设备名称装配线规格型号设备编号操作者 A操作者 B操作者 C使用部门 检查日期点检内容 ...


