07/02/2025最基础的全员安全培训课件202x 年 4 月安全是什么?01为什么要进行安全培训?03事故发生的主要原因05安全为了谁?02安全管理...
安全生产基础培训目 录123456安全是什么?安全为了谁?为什么要进行安全培训?安全管理的基本概念事故发生的主要原因以人为本切实做好安全...
2020企业员工安全基础知识培训 Safety Training2020 年 3月说明:1. ABC 安全的朋友们收集于网络;2. 版权作者所有 , 致谢;3. ...
安全管理简洁实用 · 适用于初创企业 · 团队管理等序言安全生产既是人们生命健康的保证,也是企业生存与发展的基础。作为企业的员工...
企业安全生产管理基础培训关爱生命关注安全培训目的1 、强化红线意识2 、落实安全责任3 、促进安全发展4 、实现安全和谐关爱生命关注安...
-1-三标一体标准化管理体系基础知识企业管理部-2-三大管理体系三大体系ISO9000 (质量管理体系)ISO9000 (质量管理体系)ISO14000 (环...
企业安全管理基础台账讲解安全生产台帐是反映生产经营单位安全生产管理工作整体情况的资料记录,是安全生产基础工作的一个重要组成部分。建...
员工基础安全知识教育培训目 录CONTENTS什么是安全?01安全生产基础知识2安全事故的原因分析3安全生产定律和法则4国家相关法律法规行业安...
企业安全基础管理与车间班组安全管理1企业安全基础管理车间班组安全管理第一部分第二部分21• 事故致因理论2• 安全管理基础知识3• 杜...
班组安全基础管理概述二、班组安全管理基本内容三、班组日常活动和常用方法四、一线操作者基本守法要求目 录CONTENT一、班组安全管理作用...
民爆器材生产企业基础安全检查表单位名称: 检查日期: 年 月 日序号检查项目检查内容检查结果1安全办公会议制度有制度并严格执行;安...
物料提升机基础专项施工方案(无表式)
塔式起重机基础专项施工方案(无表式)
施工升降机基础专项施工方案(无表式)
建筑起重机械基础验收表GDAQ2090104 工程名称 起重机械名称 总承包单位项目负责人 基础施工单位项目负责人验 收 项 目检 查 结 ...
门式钢管脚手架基础验收表GDAQ209020102 工 程 名 称搭 设 部 位总承包单位项目负责人专业承包单位项目负责人土 质 情 况验 收...
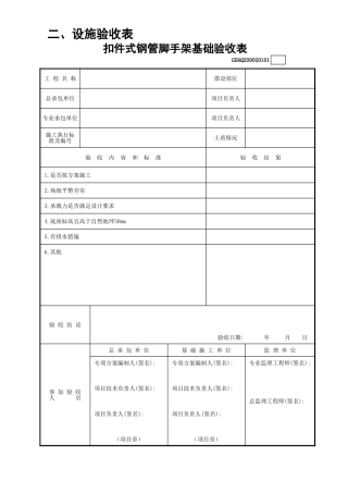
二、设施验收表扣件式钢管脚手架基础验收表GDAQ209020101工 程 名 称搭设部位总承包单位项目负责人专业承包单位项目负责人土质情况验 ...
公司基础管理类隐患排查表序号排查项目排查内容与排查标准隐患内容责任单位1资质证照口 其他安全管理人员持证上岗。2口 设置安委会,建立...
对生产经营单位安全生产督导检查表(基础管理部分)检查项目检查内容检查标准检查办法(仅供参考)检查结果1 . 工 作安排1.接收上级政...
评定项目评定要素评定内容一、 安全生产基础管理(280分)(一)安全生产目标和指标(20分)。a)根据企业自身安全生产实际情况,制定安全...


